W-36CS-CR 軸なし ホイール ホイール単体 ホイールコンベヤ用 コンベヤ部品 コンベヤパーツ 

【特長】
・マキテック製ホイールコンベヤ W-36CS-CR対応ホイール。
・スチール製削り出しホイール。
・硬質クロムめっき付き。
・軸は付属しておりません。



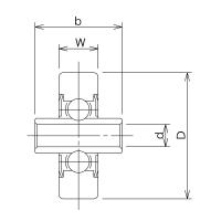
【仕様:ホイール】
・材質:スチ―ル製
・種類:削り出しホイ―ル
・表面加工:硬質クロムめっき
・外径(D):Φ36
・幅(W):9mm
・軸穴(d):Φ8.2
・ボス(b):28mm
・耐荷重(N)/個:392
・自重(g):69



【配達について】
・ご注文の際には備考欄等に法人名のご記入をお願いします。
・配達は車上渡しとなります。
・配送車(2t〜10t)が入れない場所への配達は出来ません。


【送料】
・別途送料1,650円(税込)のご負担になります。
 (北海道,沖縄,その他離島など一部地域を除きます。)
【返品・交換について】
・返品はお届けした商品がご注文品と異なる場合、商品初期不良、破損品のみ対応させていただきます。
・商品のご到着より1週間以内の交換のみ対応させていただきます。
・上記以外での返品、交換はお受けいたしかねますので、ご注文の際はご注意下さい。

硬質クロムメッキ付ホイール一覧
 型番  軸なし 
 W-2015CR  軸なし 
 W-2025CR  軸なし 
 W-25CR  軸なし 
 W-2523CR  軸なし 
 W-32CR  軸なし 
 W-36BW-CR  軸なし 
 W-36CS-CR  軸なし 
 W-36BS-CR  軸なし 
 W-3850D-CR  軸なし 
 W-50DS-CR  軸なし 
 W-50BS-CR  軸なし