SP武川 SPタケガワ 【補修部品】 バルブスプリングセット(DOHC用) ゴリラ モンキー HONDA ホンダ バルブスプリング エンジンパーツ エンジン

※詳細な出荷時期はご注文後にメールでご案内します。

■適合車種
ゴリラ
 ゴリラ
モンキー
 モンキー

■商品番号
01-12-0107

■JANコード
4514162118290

■商品概要
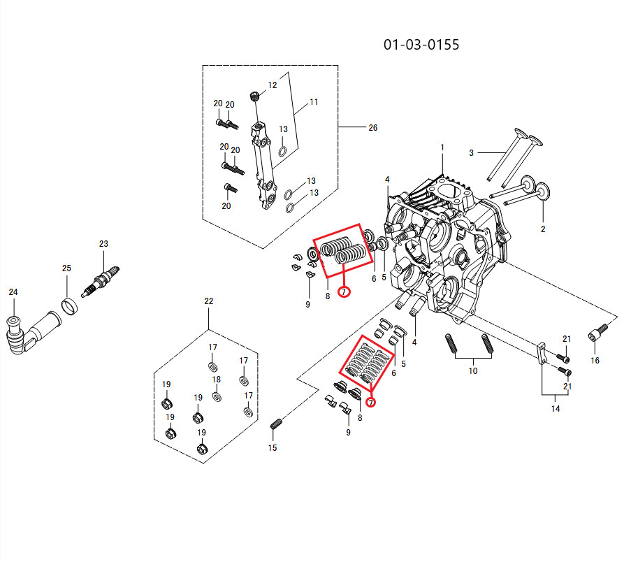
【画像内番号】7
入数:4
対象商品品番:01-03-0155/01-06-0037
■注意点
※該当商品は画像赤枠内です。
※ロットによっては、価格変更前の旧価格・旧JANコードでのラベルでお届けになる場合がございます。予めご了承ください。
※メーカー都合により商品の仕様変更がある場合がございます。ご了承ください。