





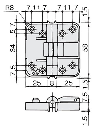
間仕切折戸用丁番(50°仮ストップ機構付き)
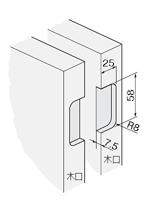
木口面掘込み。●キャッチ付き
折戸の開き角度0°〜15°、165°〜180°の範囲でキャッチが効いて自動的に開閉します。●蛇行修正機能付き
閉めた時に折戸が蛇行状態になっている場合、ドライバーで修正できます。●50°仮ストップ機能付き
フリーオープンタイプ折戸に適した機能で、折戸が開き角度50°で仮ストップするため、この状態で戸を左右にスムーズに移動させることができます。| 材質 | 亜鉛合金、PA66 |
|---|---|
| 仕上 | アイボリー色塗装、GB色塗装 |
| 添付品 | +皿タッピンねじ3×20 8本 |