鉄/三価ホワイト 歯付きワッシャー (内歯形) M3 (太さ=3mm)用 【 バラ売り : 10個入り 】

★商品画像の注意事項★---
・形状はほぼ同等ですが、以下が異なります。
  サイズ
  ねじ山のある部分の長さ
  ピッチ (ねじ山の間隔)
・刻印について
  サイズによって異なる場合があります
  予告なく変更される場合があります
・ディスプレイにより実際の色合いと異なる場合があります。


■商品概要------------------------------
 形状    : 歯付きワッシャー 内歯形

 材 質    : 鉄
 メッキ処理 : 三価ホワイト

 サイズ : M3
        [太さ=3mm用]
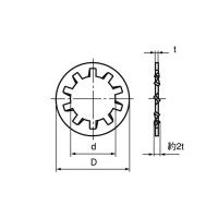
 形状 歯付きワッシャー 内歯形
丸いワッシャーの内側に、歯車のように凸凹した歯が付き、少しねじれて立ち上がっているような形状です。 「歯付き座金」、「菊座金」 とも呼びます。
ボルトやナットを締結する際に、歯のねじれが平らになる 「バネ作用」 と、歯による相手材との摩擦力の増大によりゆるみ止め効果を発揮します。
内側に歯が付いているため、締結後に外周に傷などを見せたくない場合に使用することもありますし、他にも相手材との電気的な導通確保を目的に使用することもあります。


 材 質 鉄
一般的に多く流通していて安価な材質ですが、錆びやすいという欠点がある。
そのため、多くはメッキ処理を施して腐食を抑えます。


 メッキ処理 三価ホワイト
 ※ 商品の色合いとなります。
「シルバー色」 のメッキで、擬似的な自己修復性があり耐食性に優れています。
メッキには有害な物質は含まれていないためRoHS指令に対応しています。
注)上記「材質」、「表面処理」画像では厳密な色合いが表現できません。
イメージ程度でご覧ください。 (形状は無視してくださいね)


 サイズ M3
[太さ]
「太さ」は 使用可能なボルトやネジ類などの「ねじの太さ(呼び径)」を表し、単位はミリメートル(mm)です。 「ねじの太さ」の先頭には "M" が付きます。
注意)実際のワッシャーの内径サイズではありません。 実際の内径サイズは「規格表」をご覧ください。

 
3 mm