鉄/クロメート(黄褐色メッキ) (+)ナベセムス [PK=1] M5 (太さ=5mm)×長さ=14mm 【 バラ売り : 10本入り 】

★商品画像の注意事項★---
・形状はほぼ同等ですが、以下が異なります。
  サイズ
  ねじ山のある部分の長さ
  ピッチ (ねじ山の間隔)
・刻印について
  サイズによって異なる場合があります
  予告なく変更される場合があります
・ディスプレイにより実際の色合いと異なる場合があります。


■商品概要------------------------------
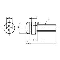
 頭部形状  : ナベ PK=1 (+)
 ねじ部形状 : 並目 [ピッチ=0.8mm]

 材 質    : 鉄
 メッキ処理 : クロメート(黄褐色メッキ)

 サイズ : M5 × 14
        [太さ=5mm × 長さ=14mm]
 工具穴 : #2
 頭部形状 ナベ PK=1 (+)
十字穴付きの 「なべ頭」 で、頭部座面に JIS規格の小形の平座金(丸ワッシャー) を組込み、一体化した組み込みねじです。
なべ頭は、上面の角に丸みが付いたもので、鍋をひっくり返したような形状です。


 材 質 鉄
一般的に多く流通していて安価な材質ですが、錆びやすいという欠点がある。
そのため、多くはメッキ処理を施して腐食を抑えます。


 メッキ処理 クロメート(黄褐色メッキ)
 ※ 商品の色合いとなります。
「黄褐色」 のメッキで、昔からよく使用されており、自己修復性があり耐食性に優れています。
有害な六価クロムを含有しているため、RoHS指令には対応していません。
注)上記「材質」、「表面処理」画像では厳密な色合いが表現できません。
イメージ程度でご覧ください。 (形状は無視してくださいね)


 ねじ部形状  並目
ISO(国際標準化機構)規格で規定された、国内で一番標準的なピッチで、流通量が多い規格です。
0.8 mm


 サイズ M5 × 14
[太さ] × [長さ]
「太さ」、「長さ」共に ミリメートル(mm)単位で表します。 「太さ」の先頭に "M" が付きます。

14 mm#2
5 mm
( M5 )
工具はこちらから選択 ⇒