アルミ 薄平リベット 2.5x16 【10個入】

■説明:締め付け部品の穴に軸部を差し込み、軸の端をかしめて継手とする。かしめ後、取り外しの必要がない場所に使用します。
■規格:JIS B1213に基づいています。
■材質:アルミ A1070 又は A1050
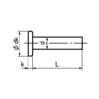
■処理:生地■寸法の呼び方:(呼び径)x(長さL)
■説明:締め付け部品の穴に軸部を差し込み、軸の端をかしめて継手とする。かしめ後、取り外しの必要がない場所に使用します。
■規格:JIS B1213に基づいています。
■材質:アルミ A1070 又は A1050
■処理:生地

寸法の呼び方⇒(呼び径)x(長さL)