STAHLWILLE スタビレー 1/4SQ セミディープ十二角ソケット 7/32 インチサイズ 全長31.8mm 面接触 40ADV-7/32

40ADV-7/32
【商品名】 STAHLWILLE スタビレー 1/4SQ セミディープ十二角ソケット 7/32 インチサイズ 全長31.8mm 面接触 40ADV-7/32 [ 40ADV-7/32 ]
※詳細は商品説明をご確認下さい。商品ページは縦長です。


(ソフトバンク・ワイモバイルまとめて支払い、d払い、auかんたん決済等キャリア決済手数料無料) /PayPayポイント消化/ペイペイポイント対応ストア

■サイズ・色違い・関連商品



■7/32 インチ 全長31.8mm[当ページ]
■1/4 インチ 全長31.8mm
■9/32 インチ 全長31.8mm
■5/16 インチ 全長31.8mm




■商品内容



■AS-drive(面接触)で、より高品質なHPQシリーズの1/4"SQセミディープソケット。

■12角タイプ。


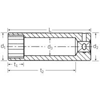
■商品スペック



【商品名】
1/4SQ セミディープ十二角ソケット 7/32 インチサイズ 全長31.8mm 面接触 40ADV-7/32

【メーカー】
STAHLWILLE スタビレー

【サイズ】
●サイズ(inch):7/32
●全長(L;mm):31.8
●差込角(SQ;inch):1/4

【重量】
●質量(g):12

【スペック】
●差込角(SQ;inch):1/4
●ソケット部外径(d1;mm):8.6
●差し込み部外径(d2;mm):10.7
●ソケット中間空洞部内径(d3;mm):5
●ボルト接触部内面奥行き(t1;mm):6
●最大奥行き(t2;mm):23.8



■送料・配送についての注意事項



●本商品の出荷目安は【3 - 6営業日 ※土日・祝除く】となります。

●本商品は梱包サイズ【通常商品】です。

●本商品は同梱区分【直送2146】です。同梱区分が【直送2146】と記載されていない他商品と同時に購入された場合、梱包や配送が分かれます。

●離島および一部地域への配送時に追加送料がかかる場合がございます。