SM-2700L/B 3本セット 装飾見切り材(床用) 床見切りL(真鍮) LIXIL リクシル

●社名・屋号がある場合は、送付先にご記入をお願いいたします。
●長尺の商品のため、西濃運輸の一般貨物でのお届けとなります。
●日曜日・祝日の指定はできません。
●お時間の指定は、原則できません。

〜こちらは3本セットでの販売です。〜

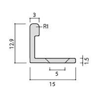
適合タイル厚 :〜10.5mm
長さ:2700mm
あたり枚数:0.4本/m
材質:真ちゅう

【商品の留意点】
●色番のBは真ちゅうを示しています。真ちゅうは素地の風合いを生かした仕上げのため、真ちゅう特有の緑青(黒ズミ)や細かなキズが生じる場合があります。
●床見切りL(SM-2700L/B・SUS)は12mmフローリングの厚さに合わせた形状の見切り材です。タイルは10.5mm厚まで使用できます。
●金属製見切り材のため、床暖房では熱くなりますので使用しないでください。
●タイルと高さを合わせて施工してください。タイルの切断部が露出したり、見切り材とタイルに段差が生じるとケガをする場合があります。
【施工上のご注意】●切断には材質・厚さ・用途に合った金ノコを使用の上、表面より切断してください(金属用の高速カッターでは表面が焼けて変色する場合があります)。●合板下地専用です。下敷き部に303mm間隔でビス用の皿穴を空けていますので、取付けの際は付属のビスを使用し、ビス頭が飛び出ないように取り付けてください。●タイルとフローリングの間に床見切りLを設置する場合は、フローリングとの間に隙間ができないように設置して、タイルとの間はシーリングで調整してください。