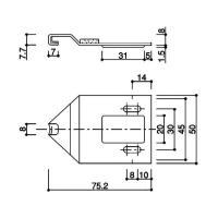
YKKAP クレセント受(HH-3K-11577 )HHW-HH3K11577 (HHJ-0778の代替品) 樹脂窓 窓サッシ ガラス窓 錠受け 鍵受け クレセント受け交換 三角形状ピッチ30
2,429
販売サイトへ移動
【YKK】【YKKサッシ】【窓】【引違い窓】【引き違い窓】【錠受け】【鍵受け】【クレセント受け交換】ジャンル:YKK ap・住宅・建材・DIY・日曜大工・取り替え・リフォーム・アルミ・純正・部品・補修/部品検索用:hh3k11577
関連商品
YKKAP交換用部品 クレセント(ピッチ45)(HH-4K-10721(22))(HH-4K-10721)
YKKAP交換用部品 クレセント(ピッチ45)(HH-4K-10725)(HH-4K-10725)
YKKAP交換用部品 クレセント(ピッチ45)(HH-4K-10727(8))(HH-4K-10727)
YKKAP交換用部品 クレセント受(HH-3K-15772)(hh-3k-15772)
◆ご注文に関する注意事項◆
■品番
HH-3K-11577
■入数
クレセント1個、取付ねじ
■メーカー
YKK AP
■適応商品
プラマード3 PSH-3 プラマード2引違い窓
■商品仕様について
本商品はメーカー取寄せ品の為、ご注文のタイミングによっては仕様変更(色変更、代替商品)及び供給終了の場合がございます。予めご了承くださいませ。
■備考
代替品HH-J-0778(3K-10596)
材質:ステンレス
※商品画像はイメージです。実物と異なる場合がありますのでご注意ください。
販売サイトへ移動