最短 翌日 YKKAP 交換用部品 戸先框AT材 2m(2K-25110) 切断対応 ハンドル/レバー側縦枠用 サッシ補修材 ハンドル・レバー側の縦枠が劣化したらこのサッシ補修材
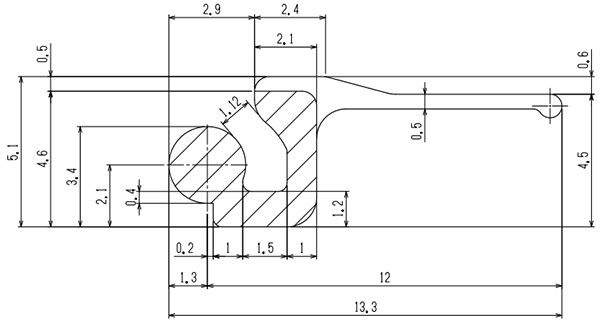
YKK AP製「戸先框AT材 2K-25110」は、ユニットバス折戸や浴室ドアのハンドルまたはレバー側に設けられた縦枠用の補修材です。既設サッシが経年により変形・腐食・色あせした場合に、2.0mの長さから必要寸法に切断して使用可能。取り付けることで、ドアの収まりを整え、開閉の違和感や水漏れ・隙間からの冷気侵入抑制に役立ちます。YKK AP純正設計のため既存窓枠・ドア枠との適合性に優れ、仕上がりも美しく保てます。
浴室折戸やドアの縦枠(ハンドル側)に日時経過・使用による黒ずみ・腐食・ガタつきが生じた際に、部材交換でリフレッシュ可能です。
「2K-25110」「YKK AP 戸先框AT材」「浴室ドア 縦枠」「ユニットバス折戸 補修材」「ハンドル側 縦枠交換」「サッシ部材」「切断対応」「交換」「補修」
| ◆ご注文に関する注意事項◆ |
| ■品番 | 2K25110 |
| ■入数 | 約 2.0m(必要寸法にカット可能) |
| ■メーカー | YKK AP |
| ■適応商品 | サニセーフ2 折戸/浴室ドア(ハンドル・レバー側縦枠) |
| ■商品仕様について | 本商品はメーカー取寄せ品の為、ご注文のタイミングによっては仕様変更(色変更、代替商品)及び供給終了の場合がございます。予めご了承くださいませ。 |
| ■備考 | |
| ※商品画像はイメージです。実物と異なる場合がありますのでご注意ください。 |
