※こちらの商品は送料無料対象外です。
※「送料無料」と表示されても別途送料が必要となりますのでご注意ください。



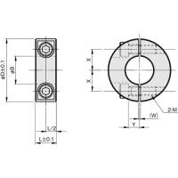
IWATA セパレートカラー ノーマル 黒染め〔品番:SCSS1715C〕[注番:1489352]
[本体質量:106.0g]《包装時基本サイズ:100.00×100.00×15.00》〔包装時質量:106.0g〕
分類》メカトロ部品》軸受・駆動機器・伝導部品》シャフトカラー
☆納期情報:取寄管理コード(002) メーカー直送品 (欠品の場合有り)
《メーカー》
(株)岩田製作所
《品番》
SCSS1715C
《特長》
●セパレート構造により、シャフトを傷つけることなく締め付けができます。
●シャフト組み付け後の取り付け、取り外しも簡単にできます。
《用途》
●ベアリングとシャフトの固定。
《仕様》
●内径(mm):17
●外径(mm):40
●総幅(mm):15
●締付ねじ:M6×20
《仕様2》
●ノーマルタイプ
《原産国(名称)》
日本
《材質/仕上》
●機械構造用炭素鋼(S45C)
《セット内容/付属品》
《注意》
《JANコード》
4549702014350
《本体質量》
106.0g