STJ(エスティジェイ) シマルーベ用 クイックカップリング (給油側) G1/4" ST1071

※取り寄せ品の納期については、メーカー在庫有時の表記となっております。
商品欠品等により、通常よりお時間がかかる場合がございます。予めご了承ください。
■商品の特徴
●STJ(エスティジェイ) シマルーベ用 クイックカップリング

●ホースとネジ部をワンタッチにて接続する事が出来るコネクターです。



■製品仕様
●材料:ニッケルメッキをされた真鍮
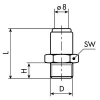
●寸法
・D:G1/4"
・H:8mm
・L:25mm
・SW:13mm
●重量:17g