ステンレスフラッシュ丁番ビス付 呼寸法:64 色:ヘアーライン 数量:2枚入り ニシムラ【代引き不可】

◆◆◆こちらはメーカー直送につき代金引換の決済が不可となります。
また沖縄・北海道・離島への発送は出来かねます。ご了承くださいませ。◆◆◆

【特長】
■掘り込み不要で、取付けが簡単な丁番!
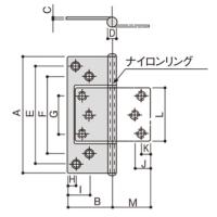
■板厚1.5mmの為スキマが少ないので、掘り込み不要、取付けも簡単です。
■ステンレス(66ナイロンガラス入リング)を使用しているので五管丁番と変わらない強度があり、安心です。
■扉の吊り下がりが少なく、スムーズな開閉を保ちます。

【仕様】
仕様:扉重量15kg繰り返し開閉試験、10万回摩耗量0.5mm以内
材質:SUS430
付属品:ねじ付