蝶番 ガラス丁番 金属兆番 ヒンジ ちょうつがい アクリル DIY『ガラス蝶番(2個入)』
デザイン性に優れたアクリルにも使用できるガラス蝶番。アクリル扉や強度が必要な場所に最適です。
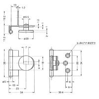
●デザイン性に優れたガラス蝶番。ガラス扉用の蝶番ですが、アクリル扉にも使用できます。
●強度が必要な場所にも最適。
【仕様】
■対応板厚:5mmまで
■セット内容:
□蝶番(鋼製、クロームメッキ):2個
□塩化ビニールワッシャー:4個
□M4トラスネジ(長さ12mm):6個
□M4ワッシャー:6個
□M4ナット:6個
 | | | ※アクリ屋本店(外部サイト) | | |
| |